Пластини т/с тип 07, 67 (ГОСТ 25426-90)
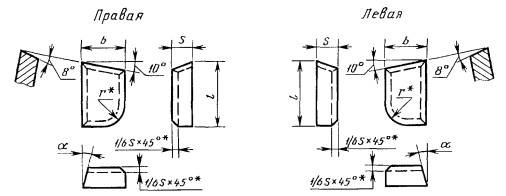
Пластини напаиваемые 07, 67, по ГОСТ 25397-90, використовуються в підрізних, прходных, розточувальних револьверних різцях. Конструкція пластин вказана на малюнку.

в виде галереив виде списка
Пластини напаиваемые 07, 67, по ГОСТ 25397-90, використовуються в підрізних, прходных, розточувальних револьверних різцях. Конструкція пластин вказана на малюнку.
